進口碳鋼球閥
產品概述
進口碳鋼球閥是以ASTM A216 WCB等碳鋼材料為主體制造的工業閥門,通過球體90°旋轉實現介質截斷與流量調節。其核心優勢在于高強度閥體(抗壓≥450MPa)與多樣化密封設計的結合,適配-40℃~+550℃溫度范圍及PN1.6~PN42MPa壓力工況。相較于其他材質閥門,碳鋼球閥在非強腐蝕性介質(如水、蒸汽、油品)控制中展現出更高性價比,廣泛應用于石油化工、電力系統及市政工程等領域
產品詳情
進口碳鋼球閥以ASTM A216 WCB等碳鋼材料為主體,符合API 6D、ANSI B16.34標準,通過球體90°旋轉實現介質的截斷與流量調節。其設計適配高壓(PN1.6~PN42MPa)、高溫(-40℃~+550℃)及非強腐蝕性介質(如蒸汽、油品),廣泛應用于石油化工、電力系統、市政工程等領域
產品特點
緊湊型閥體:減少30%安裝空間,便于在管道密集區域部署37;
低流阻設計:全通徑結構使流阻系數接近直管段(壓降<0.01MPa@10m/s流速),降低管道能耗
抗顆粒沖刷:碳鋼表面經噴砂或電化學處理,耐受含固體顆粒介質沖刷
密封技術
軟密封(PTFE/增強聚四氟乙烯):泄漏率≤10ppm(ANSI VI級),適用溫度-40℃~+200
硬密封(碳化鎢/司太立合金):耐溫達+550℃,適配高壓蒸汽、熔鹽等高溫介質
防火防靜電設計:緊急工況下通過彈簧推動閥座與球體形成金屬密封,防止介質泄漏
零件材料

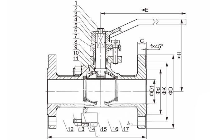
進口碳鋼球閥外形尺寸和連接尺寸

